我们-BSB040072-2RS-T-絲杠支撐軸承-河北绵阳春洁精密制造有限责任公司(H5网站)

我们-BSB040072-2RS-T-絲杠支撐(cheng)軸承

  • 新型号:我们(men)-BSB040072-2RS-T
  • 舊型号:
  • 類别:絲杠(gang)支撐軸承
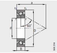
  • 内徑:40-0.006
  • 外(wai)徑:72-0.007
  • 厚度:15-0.12
  • 系列:單向(xiang) 密封
立即咨詢

産(chan)品圖紙

産品參數(shu)

型号
尺寸mm
d40-0.006
D72-0.007
B15-0.12
r,r 1 min1
a ≈56
D a H1262.5
49
基本額定(ding)載荷 軸向
動載荷(hé) C a N29500
靜載荷 C oa N82000
推薦的INA鎖(suǒ)緊螺母,需單獨訂(dìng)購
型号1ZM40
型号2AM40
鎖緊(jin) 力矩 3) MA Nm40
軸向 預緊力(lì) N10190
質量m ≈kg
質量m ≈kg0.26
極限 轉(zhuǎn)速 n G 脂 min –1
軸向 跳動 4) μm
軸向 跳(tiao)動 4) μm2
軸承 摩擦 力矩(ju) 2) M RL Nm
軸承 摩擦 力矩 2) M RL Nm0.14
剛(gang)度 1) 軸向 C aL N/μm
剛度 1) 軸向(xiàng) C aL N/μm1016
  • 地址

    河(he)北省邢台市臨西(xī)縣臨西鎮陳林村(cun)東北縣敬老院👈南(nan)♍600米

  • 聯系電話

    13463924333

  • 傳真(zhen)

    0319-8561987

  • 電子郵件

总(zǒng) 公 司急 速 版WAP 站H5 版(ban)无线端AI 智能3G 站4G 站(zhàn)5G 站6G 站
· 
 
 
·