我们-LR50/6-2RSR-滾輪
- 新型(xíng)号:我们-LR50/6-2RSR
- 舊型号:
- 類(lei)别:滾輪
- 内徑:6
- 外徑(jìng):19
- 厚度:
- 系列:支承型(xing)滾輪 雙列 密封(d 5-15mm)
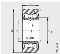
産品參數
| 尺寸mm | |
|---|---|
| D | 19 |
| d | 6 |
| C | 9 |
| d 2 | 9.3 |
| r min | 0.3 |
| 基(ji)本額定載荷N | |
| 動載(zǎi)荷 C rw | 2700 |
| 靜載荷 C orw | 1370 |
| 型号 | |
| 型(xing)号 | LR50/6-2RSR |
| 質量m ≈kg | |
| 質量m ≈kg | 20 |
| 疲勞(lao)極限載荷 C urw N | |
| 疲勞極(jí)限載荷 C urw N | 66 |
| 轉速 n DG min –1 | |
| 轉速(su) n DG min –1 | 11000 |






