我们-ZKLF1762-2RS-2AP-絲杠支撐(cheng)軸承
- 新型号:我们(men)-ZKLF1762-2RS-2AP
- 舊型号:
- 類别:絲杠(gang)支撐軸承
- 内徑:17
- 外(wai)徑:62
- 厚度:50
- 系列:螺栓(shuan)安裝 配對軸承
産品參數
| 型号 | |
|---|---|
| 型(xing)号 | ZKLF1762-2RS-2AP |
| 剛度 軸向 c aL N/μm | |
| 剛度(dù) 軸向 C aL N/μm | 800 |
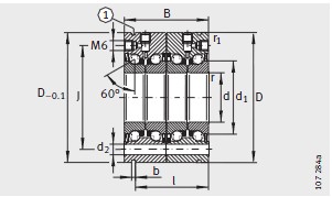
| 尺寸mm | |
| d -0.005 | 17 |
| D -0.010 | 62 |
| B -0.50 | 50 |
| d 1 | 30 |
| r min | 0.3 |
| r 1 min | 0.6 |
| J | 48 |
| d 2 | 6.8 |
| I | 42 |
| b | 3 |
| 安裝尺(chǐ)寸mm | |
| D a max | 37 |
| d a min | 23 |
| 固定螺栓 1) DIN912-10.9 | |
| 規格(gé) | M6×60 |
| 數量 | 5 |
| 基本額定載(zǎi)荷 軸向 | |
| 動載荷 C a N | 30500 |
| 靜(jing)載荷 C oa N | 62000 |
| 推薦的INA鎖緊(jin)螺母,需單獨訂購(gòu) | |
| 型号1 | ZM17 |
| 型号2 | AM17 |
| 鎖緊 力(li)矩 3) MA Nm | 15 |
| 軸向 預緊力 N | 7157 |
| 質(zhi)量m ≈kg | |
| 質量m ≈kg | 0.9 |
| 角度 t 數量(liàng)×t | |
| 角度 t 數量×t | 6×60° |
| 極限 轉(zhuan)速 n G 脂 min –1 | |
| 極限 轉速 n G 脂(zhi) min –1 | 3300 |
| 軸承 摩擦 力矩 M RL Nm | |
| 軸(zhou)承 摩擦 力矩 M RL Nm | 0.36 |
| 傾覆(fu) 剛度 c kL Nm/ mrad | |
| 傾覆 剛度 c kL Nm/ mrad | 200 |
| 質(zhi)量 慣性矩 2) M m kg · cm 2 | |
| 質量 慣(guàn)性矩 2) M m kg · cm 2 | 0.264 |
| 軸向 跳動 4) μm | |
| 軸(zhou)向 跳動 4) μm | 2 |






