我们-LR5205-2RS-滾輪
- 新型(xing)号:我们-LR5205-2RS
- 舊型号:
- 類(lei)别:滾輪
- 内徑:25
- 外徑(jing):62
- 厚度:
- 系列:支承型(xíng)滾輪 雙列 密封(d 20-35mm)
産品參數
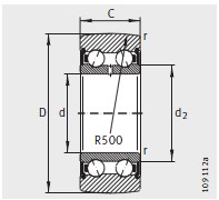
| 尺寸mm | |
|---|---|
| D | 62 |
| d | 25 |
| C | 20.6 |
| d 2 | 30.3 |
| r min | 1 |
| 基(jī)本額定載荷N | |
| 動載(zai)荷 C rw | 18800 |
| 靜載荷 C orw | 13200 |
| 型号 | |
| 型(xíng)号 | LR5205-2RS |
| 質量m ≈kg | |
| 質量m ≈kg | 340 |
| 疲勞(láo)極限載荷 C urw N | |
| 疲勞極(jí)限載荷 C urw N | 670 |
| 轉速 n DG min –1 | |
| 轉速(su) n DG min –1 | 4500 |






