我们(men)-22336-K-MB-調心滾子軸承(chéng)
- 新型号:我们-22336-K-MB
- 舊(jiù)型号:
- 類别:調心(xin)滾子軸承
- 内徑(jìng):180
- 外徑:380
- 厚度:126
- 系列(liè):d 160-190mm
産品(pǐn)圖紙

産品參數(shu)
| 型号 | |
|---|---|
| 軸承 | 22336-K-MB |
| X-life | - |
| 緊定(dìng)套 | H2336 |
| 質量m | |
| 軸承 ≈kg | 66.7 |
| 緊(jin)定套 ≈kg | 11.4 |
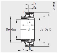
| 尺寸 mm | |
| d 1H | 160 |
| d | 180 |
| D | 380 |
| B | 126 |
| r min | 4 |
| D 1 ≈ | 323.4 |
| d 2 ≈ | - |
| d s ≈ | 12.5 |
| n s ≈ | 23.5 |
| D m | 230 |
| I | 161 |
| c ≈ | 30 |
| c 1 ≈ | 217 |
| 安裝(zhuang)尺寸 mm | |
| d a max | 363 |
| D a max | 195 |
| d b min | 8 |
| B a min | 3 |
| r a max | 3 |
| 基本額定(dìng)載荷 N | |
| 動載荷 C r | 1760000 |
| 靜(jing)載荷 C or | 2360000 |
| 計算系數(shu) | |
| e | 0.37 |
| Y 1 | 1.83 |
| Y 2 | 2.72 |
| Y 0 | 1.79 |
| 疲勞極限載荷(he) C ur / N | |
| 疲勞極限載荷(hé) C ur / N | 209000 |
| 極限轉速 n G /min –1 | |
| 極限(xian)轉速 n G /min –1 | 1500 |
| 參考轉速(su) n B /min –1 | |
| 參考轉速 n B /min –1 | 1270 |








