我们(men)-NNTR100X240X105-2ZL-滾輪
- 新(xin)型号:我(wǒ)们-NNTR100X240X105-2ZL
- 舊型(xíng)号:
- 類别(bie):滾輪
- 内(nei)徑:100
- 外徑(jing):240
- 厚度:105
- 系(xi)列:帶軸(zhou)向引導(dao) 密封(d 50-130mm)
産品(pǐn)參數
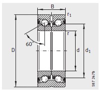
| 尺(chi)寸mm | |
|---|---|
| D | 240 |
| d | 100 |
| B | 105 |
| C | 103 |
| r min | 4 |
| r 1 min | 2.5 |
| 基本(běn)額定載(zǎi)荷N | |
| 動載(zǎi)荷 C rw | 560000 |
| 靜載(zai)荷 C orw | 870000 |
| 動載(zai)荷 F rper | 710000 |
| 靜載(zai)荷 F orper | 870000 |
| 質量(liang)m ≈kg | |
| 質量m ≈kg | 28 |
| 疲(pí)勞極限(xiàn)載荷 C urw N | |
| 疲(pi)勞極限(xiàn)載荷 C urw N | 118000 |
| 轉(zhuan)速 n DG min –1 | |
| 轉速(sù) n DG min –1 | 340 |
| 型号 1) | |
| 型(xíng)号 1) | NNTR100X240X105-2ZL |
| 安裝(zhuang)尺寸mm | |
| d 2 | 132 |
| D 1 | 160 |
| d 3 | 6 |
| 潤(run)滑油孔(kong) 數量 | |
| 潤(rùn)滑油孔(kǒng) 數量 | 6 |






