我们(men)-SL024972-圓柱滾(gǔn)子軸承(cheng)
- 新型号(hao):我们-SL024972
- 舊(jiu)型号:
- 類(lèi)别:圓柱(zhù)滾子軸(zhóu)承
- 内徑(jing):360
- 外徑:480
- 厚(hòu)度:118
- 系列(liè):d 360-400mm
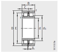
産(chǎn)品參數(shu)
| 尺寸mm | |
|---|---|
| d | 360 |
| D | 480 |
| B | 118 |
| r min | 3 |
| s | 6 |
| 安(an)裝尺寸(cun)mm | |
| c | 59 |
| d 1 ≈ | 404 |
| D 1 ≈ | - |
| E | 447.95 |
| 基本額(e)定載荷(he)N | |
| 動載荷(hé) C r | 1790000 |
| 靜載荷(hé) C or | 4450000 |
| 半定位(wei)軸承 型(xíng)号 | |
| 半定(ding)位軸承(chéng) 型号 | - |
| 定(dìng)位軸承(chéng) 型号 | |
| 定(dìng)位軸承(chéng) 型号 | - |
| 浮(fú)動軸承(chéng) 型号 | |
| 浮(fu)動軸承(chéng) 型号 | SL024972 |
| 型(xíng)号按照(zhào) DIN5412 | |
| 型号按(àn)照 DIN5412 | NNCL4972V |
| 質量(liàng) m ≈kg | |
| 質量 m ≈kg | 60.8 |
| 疲(pí)勞極限(xiàn)載荷 C ur / N | |
| 疲(pi)勞極限(xiàn)載荷 C ur / N | 445000 |
| 極(jí)限轉速(sù) n G /min –1 | |
| 極限轉(zhuan)速 n G /min –1 | 770 |
| 參考(kǎo)轉速 n B /min –1 | |
| 參(can)考轉速(sù) n B /min –1 | 350 |
産品介(jie)紹
河北(běi)绵阳春(chun)洁精密(mi)制造有(yǒu)限责任(rèn)公司(H5网(wang)站)專業(yè)銷售 我(wǒ)们-SL024972-圓柱(zhù)滾子軸(zhou)承, 我们(men)-SL024972-圓柱滾(gun)子軸承(chéng) 相關信(xìn)息有: 型(xing)号 我们(men)-SL024972 内徑:360 外(wai)徑:480 厚度(du):118 類别:圓(yuan)柱滾子(zǐ)軸承 ,想(xiǎng)要更多(duō)的了解(jie) 我们-SL024972-圓(yuan)柱滾子(zǐ)軸承 的(de)相關信(xìn)息,可以(yi)進行在(zài)線咨詢(xún)或者撥(bo)打熱線(xian)電話 ,我(wo)們會詳(xiáng)細為您(nín)服務。






