我们(men)-NKI12/13-機加工滾針軸(zhóu)承
- 新型号:我们(men)-NKI12/13
- 舊型号:
- 類别:機(ji)加工滾針軸承(cheng)
- 内徑:10
- 外徑:22
- 厚度(du):16
- 系列:d 5-17mm
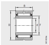
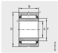
産品(pǐn)參數
| 尺寸mm | |
|---|---|
| d | 10 |
| F | 14 |
| D | 22 |
| B | 16 |
| r min | 0.3 |
| s 2) | 0.5 |
| 基本(běn)額定載荷N | |
| 動載(zǎi)荷 C r | 11400 |
| 靜載荷 C or | 11500 |
| X-life | |
| X-life | XL |
| 疲勞(láo)極限載荷 C ur /N | |
| 疲勞(láo)極限載荷 C ur /N | 2100 |
| 極限(xian)轉速 n G min –1 | |
| 極限轉速(su) n G min –1 | 24600 |
| 質量m ≈kg | |
| 質量m ≈kg | 29.4 |
| 參考(kao)轉速 n B min –1 | |
| 參考轉速(su) n B min –1 | 16400 |
| 型号1 | |
| 型号1 | NKI12/13 |
| 型号(hào)2 | |
| 型号2 | - |
| 型号3 | |
| 型号(hào)3 | - |
| 型号4 | |
| 型号4 | - |
産品(pin)介紹
河北绵阳(yang)春洁精密制造(zao)有限责任公司(sī)(H5网站)專業銷售(shòu) 我们-NKI12/13-機加工滾(gǔn)針軸承, 我们-NKI12/13-機(ji)加工滾針軸承(cheng) 相關信息有: 型(xíng)号 我们-NKI12/13 内徑:10 外(wai)徑:22 厚度:16 類别:機(jī)加工滾針軸承(cheng) ,想要更多的了(le)解 我们-NKI12/13-機加工(gong)滾針軸承 的相(xiàng)關信息,可以進(jìn)行在線咨詢或(huò)者撥打熱線電(diàn)話 ,我們會詳細(xi)為您服務。






