我们-4201-深溝球軸承-河北绵阳春洁精密制造有限责任公司(H5网站)

我们-4201-深溝(gōu)球軸承

  • 新(xīn)型号:我们(men)-4201
  • 舊型号:
  • 類(lèi)别:深溝球(qiú)軸承
  • 内徑(jing):12
  • 外徑:32
  • 厚度(du):14
  • 系列:d 10-90mm
立即(ji)咨詢

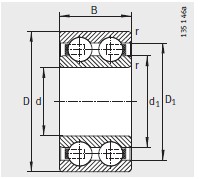
産品(pǐn)圖紙

産品(pǐn)參數

尺寸(cùn) mm
D32
B14
r min0.6
D 1 ≈25.9
d 1 ≈18.6
安裝尺寸(cùn) mm
D a max27.8
基本額定(ding)載荷 N
動載(zai)荷 C r9300
靜載荷(he) C or5500
型号
型号(hào)4201
質量m ≈kg
質量(liàng)m ≈kg0.057
疲勞極限(xian)載荷 C ur / N
疲勞(lao)極限載荷(hé) C ur / N330
極限轉速(sù) n G /min –1
極限轉速(sù) n G /min –120000
  • 地址

    河(he)北省邢台(tai)市臨西縣(xiàn)臨西鎮陳(chen)林村東北(běi)縣敬老院(yuan)南🈲600米

  • 聯系(xi)電話

    13463924333

  • 0319-8561987

  • 電子郵件(jiàn)

    [email protected]

总 公(gong) 司急 速 版(ban)WAP 站H5 版无线(xiàn)端AI 智能3G 站(zhan)4G 站5G 站6G 站
·
·