産品參(cān)數
| 型号 | |
|---|---|
| 軸承(chéng)單元 | VRE318-A |
| 軸承① | 6318-C3 |
| 軸(zhou)承② | 6318-C3 |
| 軸承座 | VR318-A |
| 軸(zhou) | VRW318-A |
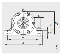
| 尺寸 | |
| d | 90 |
| D | 190 |
| B | 43 |
| a | 350 |
| g 2 | 600 |
| h 1 | 227 |
| d 2 | 105 |
| d 4 | 80 |
| w 2 | - |
| w 3 | 170 |
| w 4 | 263 |
| w 5 | 445 |
| w 6 | 971 |
| w 7 | - |
| b | 85 |
| n | 460 |
| m | 290 |
| c | 30 |
| h | 112 |
| s | M16 |
| 質量 m | |
| 軸(zhóu)承座 ≈kg | 62 |
| 單元 ≈kg | 128 |
| e | 510 |














