我们-23134-E1-K-TVPB-軸承座
- 新(xīn)型号:我们-23134-E1-K-TVPB
- 舊型号(hào):
- 類别:軸承座
- 内徑(jìng):
- 外徑:
- 厚度:
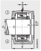
- 系列:d1 150-300mm
産品參數
| 型号 | |
|---|---|
| 軸(zhou)承座 | SD3134-H-TS-A-L |
| 軸承 | 23134-E1-K-TVPB |
| 緊定套(tao) | H3134 |
| 止動環(件) | FRM280/10(2) |
| 帶O形圈(quan)的迷宮密封圈(件(jiàn)) | TS34(1) |
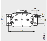
| 尺寸 | |
| d 1 | 150 |
| a | 510 |
| g | 230 |
| h 1 | 335 |
| b | 180 |
| c | 70 |
| D | 280 |
| e | 14 |
| g L | - |
| g 3 | 35 |
| h | 170 |
| m | 430 |
| n | 100 |
| u | 30 |
| v | 36 |
| s mm | M24 |
| s inch | 1 |
| 質量 m 軸承座(zuo) ≈kg | |
| 質量 m 軸承座 ≈kg | 70 |














