我们-81260-M-推力(li)圓柱滾子(zǐ)軸承
- 新型(xing)号:我们-81260-M
- 舊(jiù)型号:
- 類别(bié):推力圓柱(zhu)滾子軸承(chéng)
- 内徑:
- 外徑(jing):
- 厚度:
- 系列(liè):d 110-170mm
産品參數(shu)
| 推力圓柱(zhù)滾子軸承(cheng) | |
|---|---|
| 型号1 | - |
| 型号(hào)2 | 81260-M |
| 型号4 | - |
| 質量(liàng)m ≈kg | 48.25 |
| 推力軸承(cheng)墊圈 | |
| 座圈(quan) 型号 | GS81260 |
| 軸圈(quan) 型号 | WS81260 |
| 質量(liàng)m ≈kg | 15.2 |
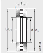
| 尺寸mm | |
| D c1 d | 300 |
| D 1 | 304 |
| D c D | 420 |
| d 1 | 415 |
| T | 95 |
| D w | 38 |
| B | 28.5 |
| a r min | 3 |
| 滾道(dao)尺寸 | |
| E b | 329 |
| E a | 412 |
| 基本(běn)額定載荷(hé)N | |
| 動載荷 C a | 1930000 |
| 靜(jing)載荷 C oa | 7300000 |
| 疲勞(láo)極限載荷(he) C ua N | |
| 疲勞極限(xian)載荷 C ua N | 600000 |
| 極限(xian)轉速 n G min –1 | |
| 極限(xiàn)轉速 n G min –1 | 780 |
| 參考(kao)轉速 n B min –1 | |
| 參考(kao)轉速 n B min –1 | 305 |
| 推力(lì)圓柱滾子(zi)和保持架(jia) | |
| 型号 | K81260-M |
| 質量(liang)m ≈kg | 17.8 |






