我们(men)-KRV52-PP-滾輪
- 新型号(hao):我们-KRV52-PP
- 舊型号(hao):
- 類别:滾輪
- 内(nei)徑:
- 外徑:52
- 厚度(du):66
- 系列:滾針帶(dài)軸向引導 開(kai)式或密封(D 35-90mm)
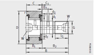
産品參(can)數
| 尺寸mm | |
|---|---|
| D | 52 |
| d 1 h7 | 20 |
| B | 66 |
| B 1 max | 25.6 |
| B 2 | 40.5 |
| B 3 | 9 |
| C | 24 |
| C 1 | 0.8 |
| r min | 1 |
| d 2 | 36.5 |
| d 3 | 4 |
| G | M20×1.5 |
| l G | 21 |
| W 2) | 10 |
| 偏心(xīn)套 d e h9 | - |
| 偏心套 B e | - |
| 偏(piān)心套 e | - |
| 基本額(é)定載荷N | |
| 動載(zai)荷 C rw | 22300 |
| 靜載荷 C orw | 48000 |
| 型(xing)号 | |
| 型号 | KRV52-PP |
| 質量(liàng)m ≈kg | |
| 質量m ≈kg | 463 |
| 疲勞極(jí)限載荷 C urw N | |
| 疲勞(láo)極限載荷 C urw N | 6700 |
| 轉(zhuan)速 n DG min –1 | |
| 轉速 n DG min –1 | 1300 |
| 帶偏(piān)心套 型号 | |
| 帶(dài)偏心套 型号(hao) | - |
| 壓入式配合(he) 潤滑油嘴 1) | |
| 壓(yā)入式配合 潤(run)滑油嘴 1) | NIPA2X7.5 |
| 擰緊(jin)力矩 MA Nm | |
| 擰緊力(li)矩 MA Nm | 120 |






