産(chǎn)品參數
| 型号1 | AXW20 |
| 質量(liàng)m ≈kg | 14 |
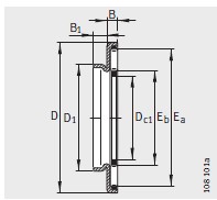
| 尺寸mm | |
| D c1 | 20 |
| D 1 | 26 |
| D | 38 |
| B | 3.2 |
| B 1 | 3.5 |
| 滾道尺寸 | |
| E b | 22 |
| E a | 34 |
| 基(ji)本額定載荷N | |
| 動載(zǎi)荷 C a | 13100 |
| 靜載荷 C oa | 46500 |
| 疲勞極(ji)限載荷 C ua N | |
| 疲勞極限(xiàn)載荷 C ua N | 4750 |
| 極限轉速 n G min –1 | |
| 極(ji)限轉速 n G min –1 | 10500 |
| 參考轉速(sù) n B min –1 | |
| 參考轉速 n B min –1 | 4900 |






