我们-NU311-E-TVP2-C3+6311-C3-軸承(chéng)座
- 新型号(hao):我们-NU311-E-TVP2-C3+6311-C3
- 舊型(xíng)号:
- 類别:軸(zhóu)承座
- 内徑(jìng):
- 外徑:
- 厚度(dù):
- 系列:d 50-70mm
産品(pin)參數
| 型号(hao) | |
|---|---|
| 軸承單元(yuán) | VRE311-A |
| 軸承① | 6311-C3 |
| 軸承(chéng)② | 6311-C3 |
| 軸承座 | VR311-A |
| 軸(zhou) | VRW311-A |
| 尺寸 | |
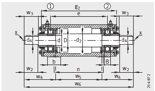
| d | 55 |
| D | 120 |
| B | 29 |
| a | 260 |
| g 2 | 407 |
| h 1 | 158 |
| d 2 | 65 |
| d 4 | 48 |
| w 2 | - |
| w 3 | 110 |
| w 4 | 181.5 |
| w 5 | 288 |
| w 6 | 651 |
| w 7 | - |
| b | 60 |
| n | 300 |
| m | 210 |
| c | 25 |
| h | 80 |
| s | M16 |
| 質量(liàng) m | |
| 軸承座 ≈kg | 22 |
| 單(dān)元 ≈kg | 38.6 |
| e | 337 |














