我们(men)-2X7322-B-TVP-UA-軸承座
- 新型(xing)号:我们-2X7322-B-TVP-UA
- 舊型(xing)号:
- 類别:軸承(chéng)座
- 内徑:
- 外徑(jìng):
- 厚度:
- 系列:d 110-120mm
産品參(cān)數
| 型号 | |
|---|---|
| 軸承(chéng)單元 | VRE322-C |
| 軸承① | NU322-E-TVP2-C3 |
| 軸(zhóu)承② | 2X7322-B-TVP-UA |
| 軸承座 | VR322-C |
| 軸(zhou) | VRW322-C |
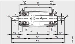
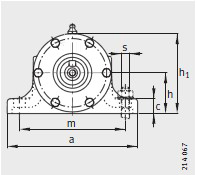
| 尺寸 | |
| d | 110 |
| D | 240 |
| B | 50 |
| a | 450 |
| g 2 | 678 |
| h 1 | 295 |
| d 2 | 130 |
| d 4 | 100 |
| w 2 | 210 |
| w 3 | 213 |
| w 4 | 312.5 |
| w 5 | 458 |
| w 6 | 1133 |
| w 7 | 362.5 |
| b | 95 |
| n | 520 |
| m | 380 |
| c | 40 |
| h | 150 |
| s | M24 |
| 質量 m | |
| 軸(zhóu)承座 ≈kg | 132 |
| 單元 ≈kg | 238 |
| e | 556 |














