我们(men)-NU308-E-TVP2-C3+6308-C3-軸承座
- 新型(xing)号:我们-NU308-E-TVP2-C3+6308-C3
- 舊型(xing)号:
- 類别:軸承(cheng)座
- 内徑:
- 外徑(jing):
- 厚度:
- 系列:d 25-45mm
産品參(cān)數
| 型号 | |
|---|---|
| 軸承(cheng)單元 | VRE308-A |
| 軸承① | 6308-C3 |
| 軸(zhóu)承② | 6308-C3 |
| 軸承座 | VR308-A |
| 軸(zhóu) | VRW308-A |
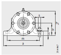
| 尺寸 | |
| d | 40 |
| D | 90 |
| B | 23 |
| a | 190 |
| g 2 | 317 |
| h 1 | 118 |
| d 2 | 50 |
| d 4 | 32 |
| w 2 | - |
| w 3 | 80 |
| w 4 | 143.5 |
| w 5 | 214 |
| w 6 | 501 |
| w 7 | - |
| b | 52 |
| n | 225 |
| m | 150 |
| c | 20 |
| h | 60 |
| s | M12 |
| 質量 m | |
| 軸(zhou)承座 ≈kg | 10.9 |
| 單元 ≈kg | 18 |
| e | 257 |














