我们-LR207-X-2RS1)-滾輪
- 新型(xing)号:我们-LR207-X-2RS1)
- 舊型号:
- 類(lei)别:滾輪
- 内徑:35
- 外徑(jìng):80
- 厚度:
- 系列:支承型(xíng)滾輪 單列 密封
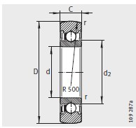
産品參數
| 尺寸mm | |
|---|---|
| D | 80 |
| d | 35 |
| C | 17 |
| d 2 | 42.4 |
| r min | 1.1 |
| 基(jī)本額定載荷N | |
| 動載(zai)荷 C rw | 20400 |
| 靜載荷 C orw | 12100 |
| 型号 | |
| 型(xing)号 | LR207-X-2RS1) |
| 質量m ≈kg | |
| 質量m ≈kg | 400 |
| 疲勞(lao)極限載荷 C urw N | |
| 疲勞極(jí)限載荷 C urw N | 640 |
| 轉速 n DG min –1 | |
| 轉速(sù) n DG min –1 | 4500 |






