我们(men)-IR55X63X25-機加工滾針軸(zhou)承
- 新型号:我们(men)-IR55X63X25
- 舊型号:
- 類别:機(ji)加工滾針軸承(chéng)
- 内徑:55
- 外徑:63
- 厚度(dù):25
- 系列:d 35-85mm
産品(pǐn)參數
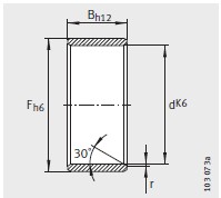
| 尺寸mm | |
|---|---|
| d | 55 |
| F | 63 |
| B | 25 |
| r min | 1 |
| 型号(hào) | |
| 型号 | IR55X63X25 |
| 滾道F公差(chà) μm | |
| 上限 | -10 |
| 下限 | -21 |
| 質量(liang)m ≈kg | |
| 質量m ≈kg | 141 |
産品介紹(shào)
河北绵阳春洁(jie)精密制造有限(xian)责任公司(H5网站(zhàn))專業銷售 我们(men)-IR55X63X25-機加工滾針軸(zhou)承, 我们-IR55X63X25-機加工(gong)滾針軸承 相關(guān)信息有: 型号 我(wǒ)们-IR55X63X25 内徑:55 外徑:63 厚(hòu)度:25 類别:機加工(gong)滾針軸承 ,想要(yao)更多的了解 我(wǒ)们-IR55X63X25-機加工滾針(zhen)軸承 的相關信(xin)息,可以進行在(zai)線咨詢或者撥(bō)打熱線電話 ,我(wǒ)們會詳細為您(nin)服務。
我们-IR55X63X25-機加(jiā)工滾針軸承 使(shi)用範圍很廣,我(wo)们-IR55X63X25-機加工滾針(zhen)軸承 主要應用(yòng)于工程機械、機(ji)床、汽 車、冶金、礦(kuàng)山、石油、機械、電(diàn)力、鐵路等行業(yè),本公司銷售的(de) 我们-IR55X63X25-機加工滾(gun)針軸承 價格合(hé)理,保證質量,全(quán)方面的服務,盡(jìn)一切滿足客戶(hù)的需求。






