我们-29284-E-MB-推力(li)調心滾子(zi)軸承
- 新型(xíng)号:我们-29284-E-MB
- 舊(jiù)型号:
- 類别(bie):推力調心(xīn)滾子軸承(chéng)
- 内徑:420
- 外徑(jìng):580
- 厚度:95
- 系列(liè):d 220-420mm
産品參數(shu)
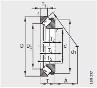
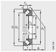
| 尺寸mm | |
|---|---|
| d | 420 |
| D | 580 |
| T | 95 |
| D 1 | 489 |
| d 1 | 550 |
| r min | 5 |
| T 1 | 46 |
| T 2 | 34 |
| T 3 | 60.5 |
| T 4 | 70 |
| T 5 | - |
| A | 225 |
| 安裝(zhuāng)尺寸mm | |
| d a min | 490 |
| D a max | 534 |
| D b min | 590 |
| d b max | 437 |
| r a max | 4 |
| 基本(běn)額定載荷(hé)N | |
| 動載荷 C a | 2650000 |
| 靜(jing)載荷 C oa | 12500000 |
| 型号(hào) | |
| 型号 | 29284-E-MB |
| 質量(liang)m ≈kg | |
| 質量m ≈kg | 73.4 |
| 疲勞(láo)極限載荷(he) C ua N | |
| 疲勞極限(xiàn)載荷 C ua N | 620000 |
| 極限(xian)轉速 n G min –1 | |
| 極限(xian)轉速 n G min –1 | 1000 |
| 參考(kao)轉速 n B min –1 | |
| 參考(kao)轉速 n B min –1 | 580 |






