我们-29414-E1-推力調心滾子軸承-河北绵阳春洁精密制造有限责任公司(H5网站)

我们-29414-E1-推力(li)調心滾子(zǐ)軸承

  • 新型(xíng)号:我们-29414-E1
  • 舊(jiù)型号:
  • 類别(bie):推力調心(xīn)滾子軸承(cheng)
  • 内徑:70
  • 外徑(jing):150
  • 厚度:48
  • 系列(liè):d 60-200mm
立即咨詢(xún)

産品圖紙(zhi)

産品參數(shu)

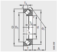
尺寸mm
D150
T48
D 199
d 1133.8
r min2
T 1
T 2-
T 3
T 4-
T 542.5
A44.8
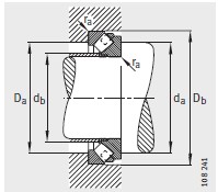
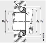
安裝(zhuāng)尺寸mm
d a min110
D a max124
D b min153
d b max78.5
d b1 max-
r a max2
基本(běn)額定載荷(he)N
動載荷 C a550000
靜(jìng)載荷 C oa1290000
型号(hao)
型号29414-E1
X-life
X-lifeXL
質量(liang)m ≈kg
質量m ≈kg3.8
疲勞(lao)極限載荷(he) C ua N
極限(xian)轉速 n G min –1
極限(xiàn)轉速 n G min –1
參考(kǎo)轉速 n B min –1
參考(kǎo)轉速 n B min –12420
总 公 司(si)急 速 版WAP 站(zhan)H5 版无线端(duān)AI 智能3G 站4G 站(zhàn)5G 站6G 站
 
 
·