我们-KHH231649-HH231615-圓錐滾子(zǐ)軸承
- 新型号:我们(men)-KHH231649-HH231615
- 舊型号:
- 類别:圓錐(zhui)滾子軸承
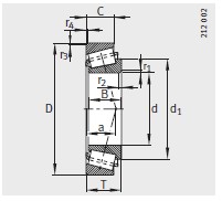
- 内徑:139.7
- 外(wai)徑:295.275
- 厚度:87.312
- 系列:d 66.675-673.1mm
産(chan)品參數
| 型号 | |
|---|---|
| 型号(hào) | KHH231649-HH231615 |
| 尺寸mm | |
| d | 139.7 |
| D | 295.275 |
| B | 87.312 |
| C | 57.15 |
| T | 82.55 |
| r1, r2 min | 9.7 |
| r3, r4 min | 6.4 |
| a ≈ | 56 |
| d 1 ≈ | 199.1 |
| 安裝尺寸mm | |
| d a max | 161 |
| d b min | 177 |
| D a min | 258 |
| D b min | 264 |
| C a min | 9 |
| C b min | 19 |
| r a max | 9.7 |
| r b max | 6.4 |
| 基(jī)本額定載荷N | |
| 動載(zai)荷 C r | 830000 |
| 靜載荷 C or | 1120000 |
| 計算系(xì)數 | |
| e | 0.32 |
| Y | 1.88 |
| Y 0 | 1.04 |
| 質量/ m ≈kg | |
| 質量/ m ≈kg | 24.1 |
| 疲勞(lao)極限載荷 C ur / N | |
| 疲勞極(ji)限載荷 C ur / N | 130000 |
| 極限轉速(sù) n G min –1 | |
| 極限轉速 n G min –1 | 2380 |









